- Home
- Products
- Smoke control dampers
- KAMOUFLAGE MP 1V60
- Dimensions
KAMOUFLAGE MP 1V60 - Dimensions
Range and dimensions
| ≥ | ≤ | |
|---|---|---|
| Hn\Wn [mm] | 350x385 | 700x1075 |
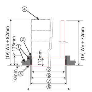
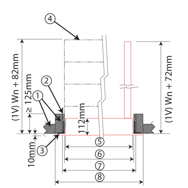
- 1. Refractory material
- 2. Sealing if mounting frame
- 3. Mounting frame EASY-KAP ME/MP (optional)
- 4. EASY-KGC ME/MP mounting frame with drop guard (optional)
- 5. Nominal dimensions shutter Wn x Hn
- 6. Built-in dimensions without mounting frame (Wn+10) x (Hn+10)mm
- 7. Built-in dimensions with mounting frame (Wn+20) x (Hn+20)mm
- 8. Overall (outside) dimensions of the shutter (Wn+54) x (Hn+54)mm
Weights Scroll down/right to view the entire table
| Hn\Wn [mm] | 350 | 400 | 450 | 500 | 550 | 600 | 650 | 700 | |
|---|---|---|---|---|---|---|---|---|---|
| 385 | kg | 10,1 | 10,8 | 11,5 | 12,1 | 12,9 | 13,6 | 14,2 | 14,7 |
| 415 | kg | 10,6 | 11,4 | 12,1 | 12,7 | 13,5 | 14,2 | 15,0 | 15,5 |
| 445 | kg | 11,0 | 11,8 | 12,6 | 13,2 | 14,1 | 14,8 | 15,5 | 16,1 |
| 475 | kg | 11,4 | 12,2 | 13,0 | 13,7 | 14,6 | 15,4 | 16,1 | 16,7 |
| 505 | kg | 11,8 | 12,7 | 13,5 | 14,2 | 15,2 | 16,0 | 16,8 | 17,4 |
| 535 | kg | 12,2 | 13,1 | 14,0 | 14,7 | 15,7 | 16,5 | 17,3 | 18,0 |
| 565 | kg | 12,6 | 13,6 | 14,4 | 15,2 | 16,2 | 17,1 | 18,0 | 18,7 |
| 595 | kg | 13,0 | 14,0 | 14,9 | 15,7 | 16,8 | 17,7 | 18,6 | 19,3 |
| 625 | kg | 13,5 | 14,5 | 15,4 | 16,3 | 17,3 | 18,3 | 19,2 | 20,0 |
| 655 | kg | 13,9 | 14,9 | 15,9 | 16,8 | 17,9 | 18,8 | 19,8 | 20,6 |
| 685 | kg | 14,3 | 15,4 | 16,4 | 17,3 | 18,4 | 19,4 | 20,4 | 21,2 |
| 715 | kg | 15,3 | 15,8 | 16,8 | 17,8 | 18,9 | 20,0 | 21,0 | 21,9 |
| 745 | kg | 15,7 | 16,3 | 17,3 | 18,3 | 19,5 | 20,6 | 21,6 | 22,5 |
| 775 | kg | 16,2 | 16,7 | 17,8 | 18,8 | 20,0 | 21,1 | 22,2 | 23,1 |
| 805 | kg | 16,6 | 17,9 | 18,3 | 19,3 | 20,6 | 21,7 | 22,8 | 23,8 |
| 835 | kg | 17,0 | 18,4 | 18,7 | 19,8 | 21,1 | 22,3 | 23,4 | 24,4 |
| 865 | kg | 17,5 | 18,9 | 19,2 | 20,3 | 21,7 | 22,9 | 24,0 | 25,1 |
| 895 | kg | 17,9 | 19,4 | 19,7 | 20,8 | 22,2 | 23,4 | 24,6 | 25,7 |
| 925 | kg | 18,4 | 19,9 | 21,3 | 21,3 | 22,7 | 24,0 | 25,3 | 26,3 |
| 955 | kg | 18,8 | 20,3 | 21,8 | 21,9 | 23,3 | 24,6 | 25,9 | 27,0 |
| 985 | kg | 19,3 | 20,8 | 22,3 | 22,4 | 23,8 | 25,2 | 26,5 | 27,6 |
| 1015 | kg | 19,7 | 21,3 | 22,8 | 24,3 | 24,4 | 25,7 | 27,1 | 28,3 |
| 1045 | kg | 20,1 | 21,8 | 23,3 | 24,8 | 24,9 | 26,3 | 27,7 | 28,9 |
| 1075 | kg | 20,6 | 22,2 | 23,8 | 25,4 | 25,4 | 26,9 | 28,3 | 31,7 |