- Home
- Products
- Smoke control dampers
- KAMOUFLAGE 1V60 P
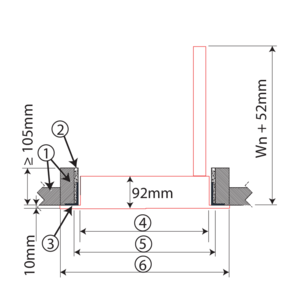
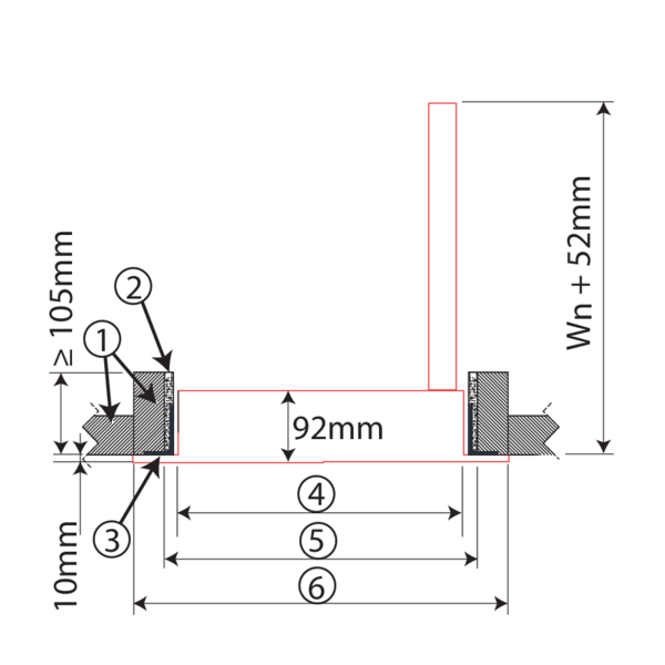
- Dimensions
KAMOUFLAGE 1V60 P - Dimensions
Range and dimensions
Weights Scroll down/right to view the entire table
| Hn\Wn [mm] | 350 | 400 | 450 | 500 | 550 | 600 | 650 | 700 | |
|---|---|---|---|---|---|---|---|---|---|
| 385 | kg | 10,8 | 11,0 | 11,3 | 12,0 | 12,6 | 13,5 | 14,4 | - |
| 415 | kg | 11,5 | 12,1 | 12,7 | 13,3 | 13,9 | 14,5 | 15,2 | - |
| 445 | kg | 10,9 | 11,7 | 12,4 | 13,2 | 14,0 | 14,7 | 19,0 | 19,8 |
| 475 | kg | 11,2 | 12,0 | 12,8 | 13,6 | 14,4 | 15,2 | 19,5 | 20,3 |
| 505 | kg | 11,6 | 12,4 | 13,2 | 14,0 | 14,8 | 15,7 | 20,0 | 20,8 |
| 535 | kg | 12,3 | 13,2 | 14,1 | 15,1 | 16,0 | 20,5 | 21,4 | 22,3 |
| 565 | kg | 12,6 | 13,5 | 14,5 | 15,5 | 16,4 | 20,9 | 21,8 | 22,8 |
| 595 | kg | 13,0 | 14,0 | 14,9 | 15,9 | 16,9 | 21,3 | 22,3 | 23,3 |
| 625 | kg | 13,6 | 14,5 | 15,3 | 16,0 | 17,2 | 21,8 | 22,8 | 23,7 |
| 655 | kg | 13,9 | 14,8 | 15,6 | 16,4 | 21,2 | 22,2 | 23,2 | 24,2 |
| 685 | kg | 14,2 | 15,1 | 16,0 | 16,7 | 21,6 | 22,6 | 23,7 | 24,7 |
| 715 | kg | 14,1 | 15,2 | 16,3 | 17,0 | 21,9 | 23,0 | 24,1 | 26,3 |
| 745 | kg | 14,4 | 15,5 | 16,6 | 17,4 | 22,3 | 23,4 | 24,6 | 26,8 |
| 775 | kg | 14,7 | 15,8 | 17,0 | 21,2 | 22,7 | 23,9 | 25,0 | 27,3 |
| 805 | kg | 15,0 | 16,1 | 17,3 | 21,6 | 23,1 | 24,3 | 25,5 | - |
| 835 | kg | 15,3 | 16,4 | 17,6 | 21,9 | 23,5 | 24,7 | 25,9 | - |
| 865 | kg | 15,5 | 16,7 | 18,0 | 22,2 | 23,9 | 25,1 | 26,4 | - |
| 895 | kg | 17,6 | 18,7 | 19,7 | 23,9 | 24,3 | 25,5 | 26,8 | - |
| 925 | kg | 18,0 | 19,1 | 23,7 | 24,4 | 24,6 | 26,0 | - | - |
| 955 | kg | 18,4 | 19,5 | 24,1 | 24,8 | 25,0 | 26,4 | - | - |
| 985 | kg | 18,8 | 19,9 | 24,5 | 25,3 | 25,4 | 26,8 | - | - |
| 1015 | kg | 19,2 | 20,3 | 25,0 | 25,7 | 25,8 | 27,2 | - | - |
| 1045 | kg | 19,7 | 20,8 | 25,4 | 26,2 | 26,2 | 27,6 | - | - |
| 1075 | kg | 20,1 | 21,2 | 25,9 | 26,6 | 29,2 | - | - | - |