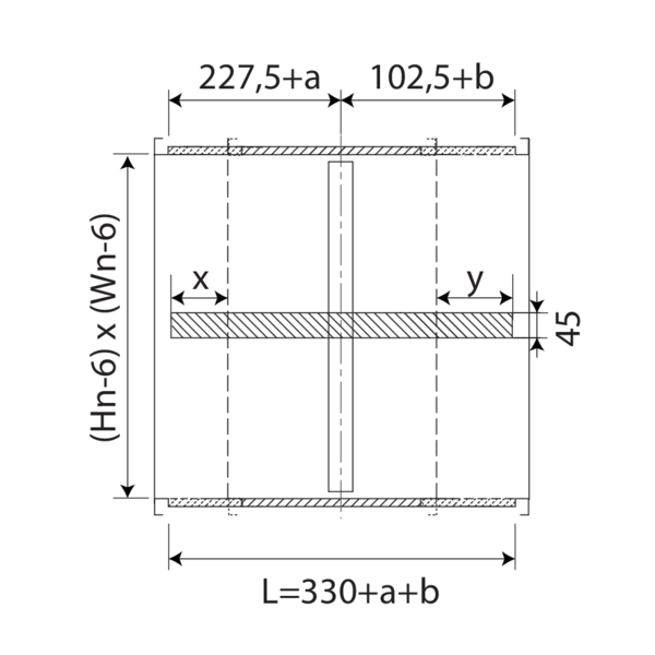
CU2 - Wide-ranging rectangular fire damper up to 120’

Rectangular fire damper with fire resistance up to 120 minutes, for large dimensions up to 1500 x 1000 mm.

CU2

Rectangular fire damper with fire resistance up to 120 minutes, for large dimensions up to 1500 x 1000 mm.

benefits

  • Large dimensions
  • Many options and variants
  • Model available for use in potentially explosive atmospheres
To this product configure

CU2L

Damper with a tunnel casing extension at one or both sides so that the damper blade does not exceed the tunnel. This version allows to connect a grill or a bend directly on the damper flange or to use a circular connection.

benefits

  • Large dimensions
  • Many options and variants
  • Model available for use in potentially explosive atmospheres
To this product configure

CU2-L500

CU2 damper with a tunnel casing extension at the wall side to facilitate the connection to the duct when the supporting construction is thicker than 100 mm.

benefits

  • Large dimensions
  • Many options and variants
  • Model available for use in potentially explosive atmospheres
To this product configure

CU2 ATEX

Explosion protected fire damper for use in zone 1,2 (gas) and zone 21,22 (combustible dust).

benefits

  • ATEX certificate TÜV 14 ATEX 7540 X
To this product configure

CU2L ATEX

Explosion protected fire damper for use in zone 1,2 (gas) and zone 21,22 (combustible dust) with a tunnel casing extension at one or both sides so that the damper blade does not exceed the tunnel. This extension makes it possible to use a circular connection (PRJ flange).

benefits

  • ATEX certificate TÜV 14 ATEX 7540 X
To this product configure