CU4 - Rectangular fire damper 240'

Rectangular fire damper with a 240 minutes fire resistance in concrete walls.

CU4

Rectangular fire damper with a 240 minutes fire resistance in concrete walls.

benefits

  • Fire resistance 240 minutes
To this product configure

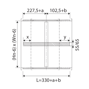
CU4L

Damper with a tunnel casing extension at one or both sides so that the damper blade does not exceed the tunnel. This version allows to connect a grill or a bend directly on the damper flange or to use a circular connection.

benefits

  • Fire resistance 240 minutes
To this product configure